Table of contents
The stability of a forklift refers to the tipping safety of the truck, with or without a load. The stability of a truck depends on various factors, including the construction of the vehicle, the environment in which the industrial truck is used, and the requirements it must meet. Only when all these factors are taken into account can the forklift truck be operated safely.
Design and situational features relating to forklift stability
To ensure that forklift trucks can be moved safely with or without loads and that neither the vehicle, the operator nor the goods being transported are damaged, stability must be guaranteed at all times. This parameter is influenced by two fundamental factors:
- The respective forklift’s centre of gravity: This depends on the design of the forklift truck. There are differences here, particularly between three-wheel and four-wheel forklifts. However, depending on the type of equipment, there are various BSI standards that specify how far or up to what load stability must be guaranteed.
- The centre of gravity of the load: This affects the centre of gravity of the load itself and depends on its weight and shape.
The combination of these centres of gravity is known as the combined centre of gravity.
However, situational factors also influence stability. These include:

- Load centre of gravity distance: This factor refers to the distance between the fork back and the load centre of gravity. For maximum stability, this distance should be kept to a minimum.
- Reduced load capacity at high lift heights: Lifting loads to great heights reduces the load capacity of the forklift. Failure to take this into account when stacking or unstacking goods at height can compromise stability.
- Dynamic stability of the forklift: Movements such as accelerating or braking, or driving over uneven ground or slopes, can affect the forklift’s stability. Anticipatory driving and operating at reduced speed help to ensure the dynamic stability of the forklift. Under no circumstances should loads be transported with the mast extended.
- Increased danger of tipping over when cornering: When cornering with a load, the forklift’s centre of gravity may shift. For greater stability, you should therefore take corners slowly so that the forklift does not rock.
Calculate the stability of a forklift truck
Depending on the fundamental factors influencing forklift stability, the tipping resistance can be calculated. The corresponding formula can be applied to all types of forklift trucks.

SS stands for stability, MS for stall torque and MK for tipping torque. The result of the calculation can be interpreted as follows:
- The truck tilts when SS < 1
- The tipping limit is reached when SS = 1
- The truck is stable if SS > 1
The risk of tipping increases the closer the overall centre of gravity of the tipping axis is. This is located along the front wheel axle of the truck. The further the value for Ss is above 1, the more stable the truck will be.
Important principles of forklift stability
You will come across the following terms repeatedly in relation to the stability of forklift trucks. They enable you to identify and control important parameters that can influence stability:
| Term | Explanation |
|---|---|
| Proof of stability | Stability certification proves that a truck is stable enough to meet the relevant requirements. There are fixed regulations governing when proof must be provided. The calculation may also only be carried out by specialists with the relevant professional experience, such as engineers or construction technicians. |
| Stall torque | The stall torque is the force that ensures that the truck stands and travels without tipping over. It is made up of the weight and the counterweight of the truck. If the stall torque is greater than the tipping force, stability is ensured. However, depending on where the centre of gravity of the truck is located, the counterweight can also contribute to tipping. The centre of gravity shifts, for example, if the load is too heavy or if the truck drives over a sloping surface. |
| Tilting torque | The tilting torque is the force that can cause the truck to overturn if it is stronger than the stall torque. Tilting is caused, for example, by loads projecting beyond the tipping axis, wind or other external forces. |
| Torque | Whether the truck actually tilts can be determined from the torque. The greater this is, and the greater the leverage applied to the truck, the more likely it is that the truck will tip. |
| Stability factor | The stability factor describes the relationship between overturning torque and stall torque. The higher it is, the more stable the truck will be. Different stability factors are prescribed for different machines. They depend on how often the machine is used and how heavy loads are. |
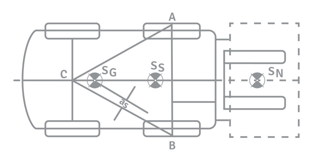
Differences between the stability of three-wheel and four-wheel forklifts
Without a load, the centre of gravity of a three-wheel truck is relatively far back on the centre axle of the vehicle due to the counterweight. Between the wheels is the so-called stability triangle. The forklift can tilt over these axles. The smaller the distance of the centre of gravity (aS) from one of the tipping edges, the lower the stability. For the three-wheel truck, this means that it can fall over the lateral tipping edges relatively easily when unloaded.

When the driver picks up a load, the load centre of gravity is ideally at half the load length. As the load weight increases, the combined centre of gravity shifts to the tipping axis over the load axis (AB).
If the load becomes too large, the combined centre of gravity shifts further forward. Once this point moves past the front axle, which acts as the tipping point, the truck will tip forward. The height of the centre of gravity is also a critical factor for stability; the higher this point is from the ground, the more top-heavy and unstable the entire system becomes.
On four-wheel forklift trucks, point C is at the height of the steering axle mount. Viewed from the side, the stability triangle thus stretches upwards at an angle. As a result, the truck’s centre of gravity is higher. In principle, the steering axle of the four-wheel truck is designed as a swing axle. The suspension is in the middle of the steering axle (on the three-wheel truck, the rear wheel is mounted here). Four-wheel trucks also form a stability triangle because of the swing axle. When the load is lifted, the centre of gravity continuously shifts upwards, and so does the overall centre of gravity of the truck. In addition, it is influenced by the mast tilt. When tilting forward with the load raised, the centre of gravity shifts significantly forward. To ensure stability, the mast should only be tilted forward when the forks are lowered, typically when picking up or placing a load.
How to ensure the driving safety and stability of a forklift truck in use
There are a number of important measures to observe to ensure the safe operation, driving safety and stability of forklift trucks – both before picking up a load and after setting it down. You and your employees should take the following points into account every time you use a forklift truck to ensure the health and safety in warehouses, factories and on construction sites at all times:
- Before loading: Check all operating conditions
Find out about the load capacity of the forklift in question. The maximum load capacity is usually indicated on a label on the forklift’s control panel. Then assess the load and make sure you know all the relevant information about its weight, size and shape. Also carry out a pre-use inspection of the forklift, including checking the tyres, forks and safety-related mechanisms. Plan in advance where the load will be picked up and dropped off. Before driving, you should also ensure that your view is not obstructed by the load or other obstacles.
- During loading: Proceed with caution at all times
Approach the load carefully and keep the forks aligned with it. Stop the forklift before sliding the forks under the load and lift the forks until they are just below the load. Then drive forward slowly to slide the forks as far as possible under the load. The load must be evenly distributed on the forks. Lift the load slowly and check again that it is stable. While driving, increase stability by transporting the load as low as possible and avoiding sudden movements.
- After unloading: Check and document everything
When unloading the load, pull back the forks and check that the load remains securely and correctly positioned. Depending on visibility conditions when reversing and manoeuvring, a second person should assist you with instructions. After unloading, document the transport, especially if the load is dangerous or particularly heavy. Ideally, you should now repeat the pre-use check, as it is good practice to carry out another quick check of the forklift after unloading to ensure that all safety mechanisms are in order.
Legal regulations and safety training for forklift operation
Driving a forklift truck involves significant safety risks for both people and property. To ensure a safe working environment, UK law requires that all operators receive formal training and authorisation, as detailed in the Health and Safety Executive’s (HSE) Approved Code of Practice, L117. While this guidance does not mandate annual retraining, it does advise that regular refresher training should be provided to ensure skills are maintained.
Furthermore, forklifts and stacker trucks must undergo a mandatory Thorough Examination at least once a year, conducted by a “Competent Person.” This legal inspection is required under the Lifting Operations and Lifting Equipment Regulations 1998 (LOLER) and the Provision and Use of Work Equipment Regulations 1998 (PUWER). This examination is designed to ensure that all safety-critical components, including the brakes, steering, mast, and hydraulics, are in perfect working order and safe to use.
FAQs about forklift stability
When operating forklift trucks, there are a few key points to ensure safety:
• The load should always be picked up as close to the fork back as possible.
• When transporting loads at height, the reduced load capacity of the forklift truck should be taken into account. This can be found on the load capacity chart.
• Driving should be cautious and anticipatory. This includes driving at reduced speed when cornering and turning, and accelerating and braking as gently as possible. Particular caution is required when driving over uneven ground.
• When driving on slopes, the load should always be positioned on the uphill side.
A stability certificate proves that a forklift truck is stable enough to meet the relevant requirements. There are fixed regulations governing when such a certificate must be provided. The calculation may only be carried out by specialists with the relevant professional experience – for example, engineers or construction technology specialists.
On four-wheel forklifts, the centre of gravity is at the height of the steering axle mount. This means that the forklift’s centre of gravity is higher than on three-wheel forklifts, where the centre of gravity is further back on the centre axle.
Image source:
© gettyimages.de – vm
